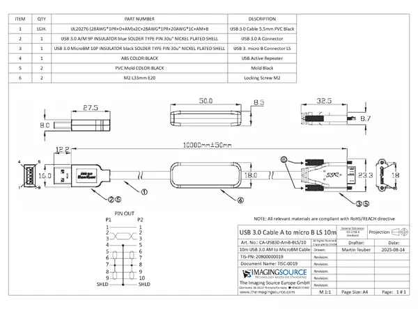
Cable Documentation CA-USB30-AmB-BLS-10

Cable Documentation CA-USB30-AmB-BLS-10
發行日期 檔案大小 檔案類型 系統需求
Cable Documentation CA-USB30-AmB-BLS-10 2025年10月8日 273.7 kB PDF
  • PDF 閱讀器