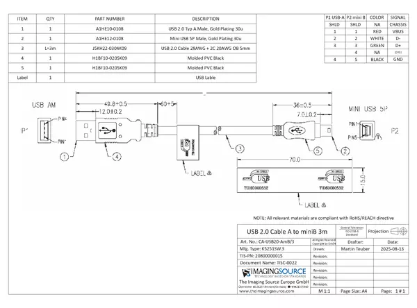
Cable Documentation CA-USB20-AmB-3

Cable Documentation CA-USB20-AmB-3
發行日期 檔案大小 檔案類型 系統需求
Cable Documentation CA-USB20-AmB-3 2025年10月8日 191.4 kB PDF
  • PDF 閱讀器