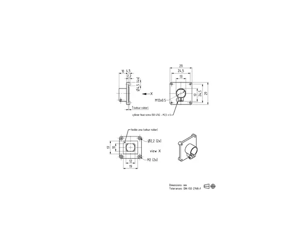
TLH 10 29.29s 37U 镜头技术数据表

TLH 10 29.29s 37U 镜头技术数据表

TLH 10 29.29s 37U 镜头技术数据表
发行日期 档案大小 档案类型 系统需求
TLH 10 29.29s 37U 镜头技术数据表 2025年10月20日 24.3 kB PDF
  • PDF 阅读器