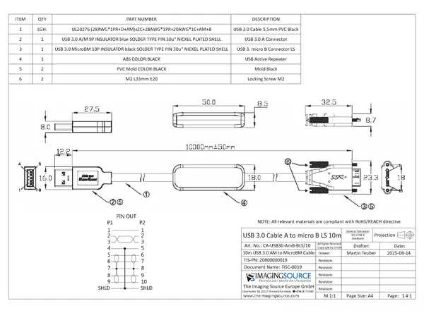
Cable Documentation CA-USB30-AmB-BLS-10

Cable Documentation CA-USB30-AmB-BLS-10
发行日期 档案大小 档案类型 系统需求
Cable Documentation CA-USB30-AmB-BLS-10 2025年10月8日 273.7 kB PDF
  • PDF 阅读器