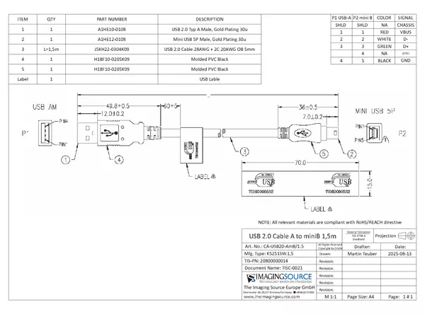
Cable Documentation CA-USB20-AmB-1.5

Cable Documentation CA-USB20-AmB-1.5
Released Size Type Requirements
Cable Documentation CA-USB20-AmB-1.5 October 8, 2025 191.4 kB PDF
  • PDF reader