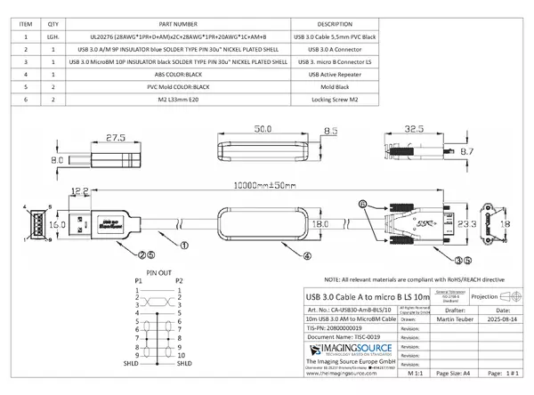
Cable Documentation CA-USB30-AmB-BLS-10

Cable Documentation CA-USB30-AmB-BLS-10
Released Size Type Requirements
Cable Documentation CA-USB30-AmB-BLS-10 October 8, 2025 273.7 kB PDF
  • PDF reader