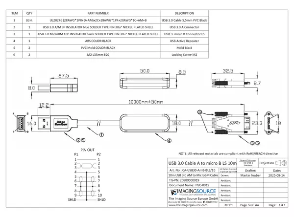
Cable Documentation CA-USB30-AmB-BLS-10

Cable Documentation CA-USB30-AmB-BLS-10
Freigegeben Größe Typ Anforderungen
Cable Documentation CA-USB30-AmB-BLS-10 8. Oktober 2025 273,7 kB PDF
  • PDF-Reader