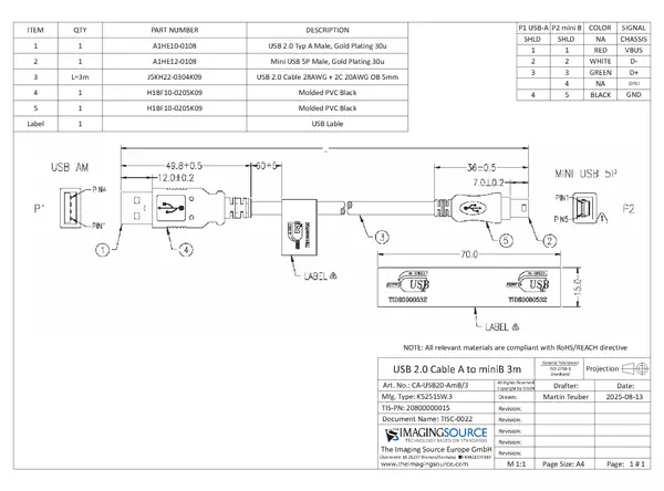
Cable Documentation CA-USB20-AmB-3

Cable Documentation CA-USB20-AmB-3
Freigegeben Größe Typ Anforderungen
Cable Documentation CA-USB20-AmB-3 8. Oktober 2025 191,4 kB PDF
  • PDF-Reader